网站首页 公司简介 产品展示 联系我们 行业资讯
 
郑州玉祥机械设备厂
13103833308
     
产品分类   更多》
容器罐槽系列
  提取浓缩系统
  搅拌乳化系列
 
高压均质机(均质泵)
实验室高压均质机
实验室乳化机
高剪切乳化机,高剪切乳化缸
管线式高剪切乳化机
高剪切乳化机组
  卫生级输送泵
  杀菌机清洗机
  不锈钢胶体磨
  不锈钢夹层锅
  水处理过滤器
  包装机械设备
  灌装封口设备
  贴标机喷码机
  轧盖机锁口机
  果蔬饮料机械
  冬瓜蓉生产线
  淀粉真空脱水机
   
联系我们   更多》
联系方式:

地址:郑州市高新区莲花街316号 电子电器产业园

(圣世嘉业6号楼305)

电话:0371-63751608

传真:0371-63752708

手机:13103833308
 
搅拌乳化系列》管线式高剪切乳化机,管线式乳化泵
 

管线式乳化机,管线式乳化泵,管线式高剪切乳化机
我厂管线式高剪切乳化机(管线式乳化泵)产品质量完全符合GMP技术要求,特别适用于再食品、饮料、化工、生化、石化、颜料、染料、涂料、制药等领域必不可少的混合液的乳化均质机械设备,总体结构简单、体积小、重量轻、易操作、噪音低及运转平稳诸优点,其具有最大特点在生产工艺流程中不采用研磨介质,集高速剪切、分散、乳均、均质、混合、破碎,输送一体化功能。


应用范围:
食品工业:辣椒浆、芝麻、果茶、冰淇淋、奶油、果酱、果汁、大豆、豆浆、豆沙、花生奶、蛋白奶、豆奶、乳制品、麦乳精、香精、调味品、各种食品等。
化学工业:油漆、颜料、染料、涂料、润滑油、合成脂、润滑脂、柴油、石油催化剂、乳化沥青、改性沥青、石蜡、胶粘剂、洗涤剂、塑料、玻璃钢、合成革、树脂、塑料、皮革及乳化炸药等。
日用化工:
牙膏、洗涤剂、面霜、唇膏、洗面奶、洗发精、鞋油、高级化妆品、沐浴精、肥皂、混凝剂、香料及香皂等。
医药工业:各型糖浆、营养液、中成药、膏状药剂、生物制剂、鱼肝油、花粉、蜂皇浆、疫苗、各种药膏、各种口服液、杀菌剂、针剂、抗生素、微胶囊及静滴液等。
建筑工业:各种涂料 包括内外墙涂料、防腐防水涂料、多彩涂料、陶瓷釉料、纳米涂料及喷漆等
造纸工业:
纸浆、胶粘剂、松香乳化、造纸助剂、树脂乳化等。
农药工业:
杀菌剂、种衣剂、除草剂、农药乳油、化肥、生化农药、生物农药等
其它工业:
纺织工业、煤炭浮选剂。稀土、纳米材料分散解聚、反应萃取及军工等领域。



管线式高剪切分散乳化机的优点:
处理量大,适合工业化在线连续生产;粒径分布范围窄,匀度高;
节约能耗、省时、高效;噪音低、运转平稳;
消除批次间生产的品质差异;无死角;
具有短距离、低扬程输送功能;使用简单,维修方便;
可实现自动化控制。


管线式高剪切工作过程:


管线式高剪切分散乳化机是用于连续生产或循环处理精细物料的高性能设备,在狭窄空间的腔体内,装有1-3 组对偶咬合的多层定、转子,转子在马达的驱动下调整旋转,产生强劲的轴向吸力将物料吸入腔体。
在较短的时间内对物料进行分散、剪切、乳化处理,料径分布范围也显著变窄,由此可制得精细的长期稳定的产品。

SRH系列高剪切乳化机功能表:
型号 功率KW 转速rpm 流量范围m3/h n-d
SRH-60 1.1 2800-2900 0-1 4-Φ14
SRH-80 1.5 0-1.5 4-Φ14
SRH-100 2.2 0-3 4-Φ14
SRH-130 4 0-4 4-Φ14
SRH-140 5.5 0-5 4-Φ14
SRH-165 7.5 0-8 4-Φ14
SRH-180 11 0-12 4-Φ14
SRH-190 15 0-20 4-Φ14
SRH-200 22 0-25 4-Φ20
SRH-210 30 0-35 4-Φ20
SRH-230 45 0-50 4-Φ20

注:

*表中流量范围是指介质为“水”时测定的数据,表中所列型号的出口压力≤0.2MPa。
*如采用循环工艺,建议与间歇式高剪切乳化机配合使用。
*如有高温、高压、易燃、易爆、腐蚀性等工况,必须明确提供相关准确的参数。以便正确选型定制。
*对流动性较差的介质,建议在入口处用流量相匹配的泵输送,泵入的压力≤0.2MPa。
*产品在不影响基本结构及性能的改进时,恕不另行通知。
 

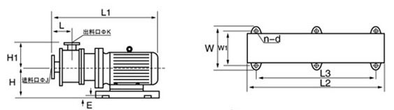
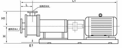
管线式高剪切乳化机结构示意图:

管线式高剪切乳化机结构示意图
管线式高剪切乳化机结构示意图
管线式高剪切乳化机结构示意图
管线式高剪切乳化机外形尺寸:
型号 L L1 H H1 E
SRH-60 90 575 180 150 12 38 32
SRH-80 90 575 180 150 12 38 32
SRH-100 90 575 180 150 12 38 32
SRH-130 137 743 224 182 12 51 38
SRH-140 137 743 225 182 12 51 38
SRH-165 137 743 225 182 12 51 38
SRH-180 142 764 250 190 12 63.5 51

间歇式高剪切乳化机与管线式高剪切乳化机配合使用:
高剪切乳化机组

产品展示
管线式乳化机,管线式乳化泵,管线式高剪切乳化机 管线式乳化机,管线式乳化泵,管线式高剪切乳化机
单组管线式高剪切乳化泵 单组管线式高剪切乳化泵

管线式高剪切乳化泵 三级管线式高剪切乳化机
管线式高剪切乳化泵 三级管线式高剪切乳化机





 
     
备案/许可证号:豫ICP备09020040号-4
 
版权所有:郑州玉祥机械设备有限公司(Copyright www.food-machine.net